Rocket Propulsion:
Theory:
·
Rocket motion is based on Newton’s second law of
motion (𝐹 = 𝑚𝑎).
·
Rocket motion is a variable mass problem i.e
rocket mass changes as the propellant is used up.
·
Air density varies with altitude.
·
In flight, a rocket is subjected to four forces:
thrust, lift, drag, and weight.
Governing
equations:
1. Drag equation
𝐷𝑟𝑎𝑔
𝑓𝑜𝑟𝑐𝑒
= 𝐶𝑑
∗𝜌𝐴𝑣/2
Where:
a)
Cd=drag co-efficient (obtained from the NASA’s
Glenn Research Centre website)
b)
Ρ=air density (I used the ISA model because
using the standard ideal value of 1.2kg/m3 would not reflect the practical air
density conditions encountered during rocket flight)
c)
A= rocket area (frontal) N/B: the area used i.e
whether surface or frontal affects the drug force
d)
V= rocket velocity
2. Weight
𝑤
= 𝑚
∗
𝑔
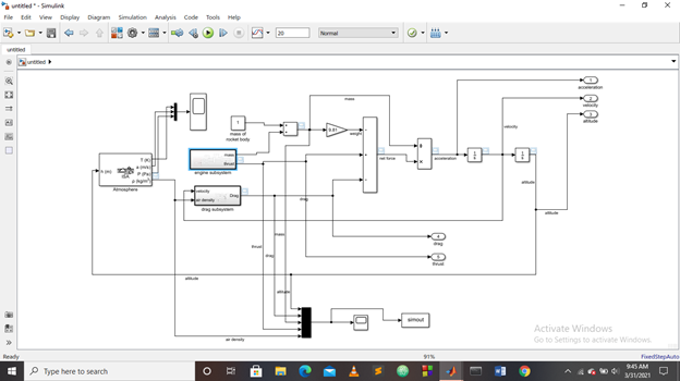
MATLAB Simulation Model
About the Model:
·
Thrust is imported from excel file into a work
space variable. It is set to zero at the end of burn time since in the
practical sense, we do not expect thrust generation after all the fuel has been
used up.
·
The rocket simulation is a non-linear simulation
with mass varying over time. This is also expected during a practical rocket
flight. After all the fuel has undergone combustion, the mass of the rocket is
constant for the rest of the flight.
·
The thrust, motor impulse, propellant mass,
rocket mass rocket diameter and area can all be changed.
Simplified assumptions:
·
Initial launch angle is 0 ͦ
·
The rocket is a single stage rocket
·
Initial velocity of the rocket is zero
·
Lift force is zero

Comments
Post a Comment